
| 产品名称: | WAW-600B 电液伺服液压万能试验机 | |
| 产品描述: | 一.项目简介: 主机为两立柱、两丝杠、油缸下置式,拉伸空间位于主机的上方,压缩、弯曲试验空间位于主机下横梁和工作台之间。测控系统采用全数字多通道闭环测控系统,具有三闭环功能,即可以进行应力、应变、位移闭环等控制方式,并可以进行无冲击切换,其应力速度和应变速率完全符合国标GB/T228.1-2010等其它 | |
| 在线QQ: | 电话:13929477992 | |
一.项目简介:
主机为两立柱、两丝杠、油缸下置式,拉伸空间位于主机的上方,压缩、弯曲试验空间位于主机下横梁和工作台之间。测控系统采用全数字多通道闭环测控系统,具有三闭环功能,即可以进行应力、应变、位移闭环等控制方式,并可以进行无冲击切换,其应力速度和应变速率完全符合国标GB/T228.1-2010等其它金属拉伸试验标准要求。
二.传动系统:
7998东方彩 2.2传动系统
下横梁升降电机经减速器、链传动机构、丝杠传动,实现拉伸、压缩空间的调整
7998东方彩 2.3液压系统
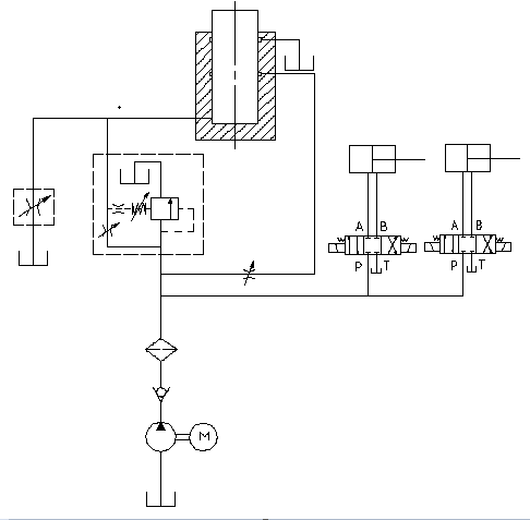
液压原理如图所示,为负载适应型进油节流调速系统,手动阀控制试验进程。
油箱内的液压油通过电机带动高压齿轮泵进入油路,流经单向阀、10μ高压滤油器、压差阀组、送油阀,进入油缸。通过手动控制送油阀的开口大小,从而控制进入油缸的流量,满足加载的要求。试验完成后,打开回油阀卸荷并使油缸返回。

液压原理图
三.液压系统:
7998东方彩 油箱内的液压油通过电机带动高压泵进入油路,流经高压滤油器、送回油阀,进入油缸。计算机通过传感器采集分析数据,显示时时数值,试验员通过送油阀控制流量,实现试验力速率的快慢。
四.控制系统:
7998东方彩 支持进行拉伸、压缩、剪切、弯曲等试验;
支持开放编辑试验、编辑标准和编辑步骤,并支持导出导入试验、标准和步骤;
支持试验参数自定义;
采用开放式的EXCEL报表形式,支持用户自定义报表格式;
7998东方彩 查询打印试验结果灵活方便,支持打印多个试样,自定义排序打印项目;
程序自带强大试验分析功能;
程序支持分级管理两级(管理员、试验员)用户管理权限;
五.技术指标:
最大试验力(kN) | 600 | |
试验力测量范围(kN) | 2%-100% | 全程不分档,等效4档 |
试验力示值相对误差 | < 示值的±1% | |
试验力分辨力 | 最大载荷1/300000 | |
变形示值相对误差 | < 示值的±1% | |
变形分辨力 | 最大变形量1/300000 | |
最大拉伸试验空间(mm) | 600 | |
压缩空间(mm) | 500 | |
活塞行程(mm) | 200 | |
立柱间距(mm) | 450 | |
圆试样最大夹持范围(mm) | Φ6-Φ40 | |
扁试样最大夹持厚度(mm) | 0-30 | |
扁试样最大夹持宽度(mm) | 75 | |
压盘尺寸(mm) | Φ160 | |
弯曲支点两点间最大距离(mm) | 300 | |
弯曲支滚宽度(mm) | 140 | |
夹紧方式 | 液压夹紧 | |
主机外形尺寸(mm) | 840*620*2150 | |
油源控制台尺寸(mm) | 1100*750*1000 | |
电机总功率(kW) | 2 | |
总重量(kg) | 1750 |